廠名:東莞市螺盛盾五金科技有限公司
地 址:大朗鎮松木山村祥榮路49號A1棟1樓1號
網 址:www.so-fix.com
郵 箱:xiaoming@so-fix.com
郵 編:523000
電 話:0769-82913668
叮!你的304壓鉚螺柱到了~請接收
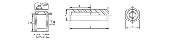
發布人:admin 發布時間:2019/7/15 9:39:07 次瀏覽304壓鉚螺柱是用一種不銹鋼材料,防銹性能比200系列的不銹鋼材料要強。耐高溫方面也比較好,能高到到1000-1200度。304不銹鋼具有優良的不銹耐腐蝕性能和較好的抗晶間腐蝕性能。對氧化性酸,在實驗中得出:濃度≤65%的沸騰溫度以下的硝酸中,304不銹鋼具有很強的抗腐蝕性。對堿溶液及大部分有機酸和無機酸亦具有良好的耐腐蝕能力。
這種高性能壓鉚螺柱節能環保、具有較高的耐腐蝕性、高彈性和高韌性。制備方法及工藝先進并且簡單,生產成本低。

近年來我國緊固件行業取得了優異成績,全年共完成緊固件產量上千萬噸,比上年同期增長30%,已步入穩健成長階段。但緊固件行業仍有一些不足之處:
一、產品結構不合理。中、低檔產品仍為行業的主導產品,不符合資源和市場需求;
二、企業分布不合理,我國沿海地區緊固件企業占70%左右,沿海地區緊固件企業優勢減弱,企業壓力和風險增大。
三、資源配置不合理,人才、能源、材料、土地資源性矛盾突出。
壓鉚螺柱未來的市場需求分析,壓鉚螺柱是螺盛盾務目標完成的基本,是產業板塊的重要組成部分。
隨著國內經濟的發展,人們的生活質量需求愈來愈高,我國壓鉚螺柱附屬品大幅度增產和市場需求迅速增多,對壓鉚螺柱質量需求越來越強勁。
螺盛盾專業從事壓鉚螺柱、壓鉚螺絲、壓鉚螺母研究、生產、銷售,長期以來秉承以行業為導向,以技術為措施,以質量為保障的發展計劃。并且將“守信”理念貫穿于公司的整個管理活動當中,堅持不懈的為客戶制造利潤,致使廣大選購人群,用戶和行業的贊揚。

客服1
0769-89388906
